IRS-303000 Плазмотрон IRS SinplexPro-90 представляет собой устанавливаемый на машинное оборудование плазмотрон для нанесения порошкового материала с использованием процесса атмосферного плазменного напыления. Это идеальное решение для промышленного нанесения износостойких, термобарьерных и антикоррозийных покрытий. Этот плазмотрон с угловым подключением (90°) легко интегрируется в роботизированные системы, обеспечивая высокую точность и стабильность процесса.
В конструкции плазмотрона IRS SinplexPro-90 используется каскадная конструкция нейтрода, которая отличается от обычного пистолета для плазменного напыления. В обычном пистолете для плазменного напыления электрод (катод/эмитирующий электрод) находится в непосредственной близости от сопла (анод/собирающий электрод), а дуга относительно короткая. В IRS SinplexPro-90 нейтродные кольца, окружающие дуговую камеру, предназначены для продления дуги до сопла. Это позволяет использовать более высокое рабочее напряжение при заданном уровне мощности и обеспечивает более эффективную передачу энергию плазме. Данная каскадная конструкция нейтрона позволяет работать с мощностью до 60 кВт, поддерживая стабильную дугу даже при длительной эксплуатации.
Плазмотрон IRS SinplexPro-90 совместим с различными газами (аргон, гелий, азот, водород). Гибкие настройки позволяют подбирать оптимальные параметры для разных материалов и задач, а благодаря эффективной системе водяного охлаждения и продуманной модульной конструкции плазмотрон отличается долгим сроком службы и простотой обслуживания.
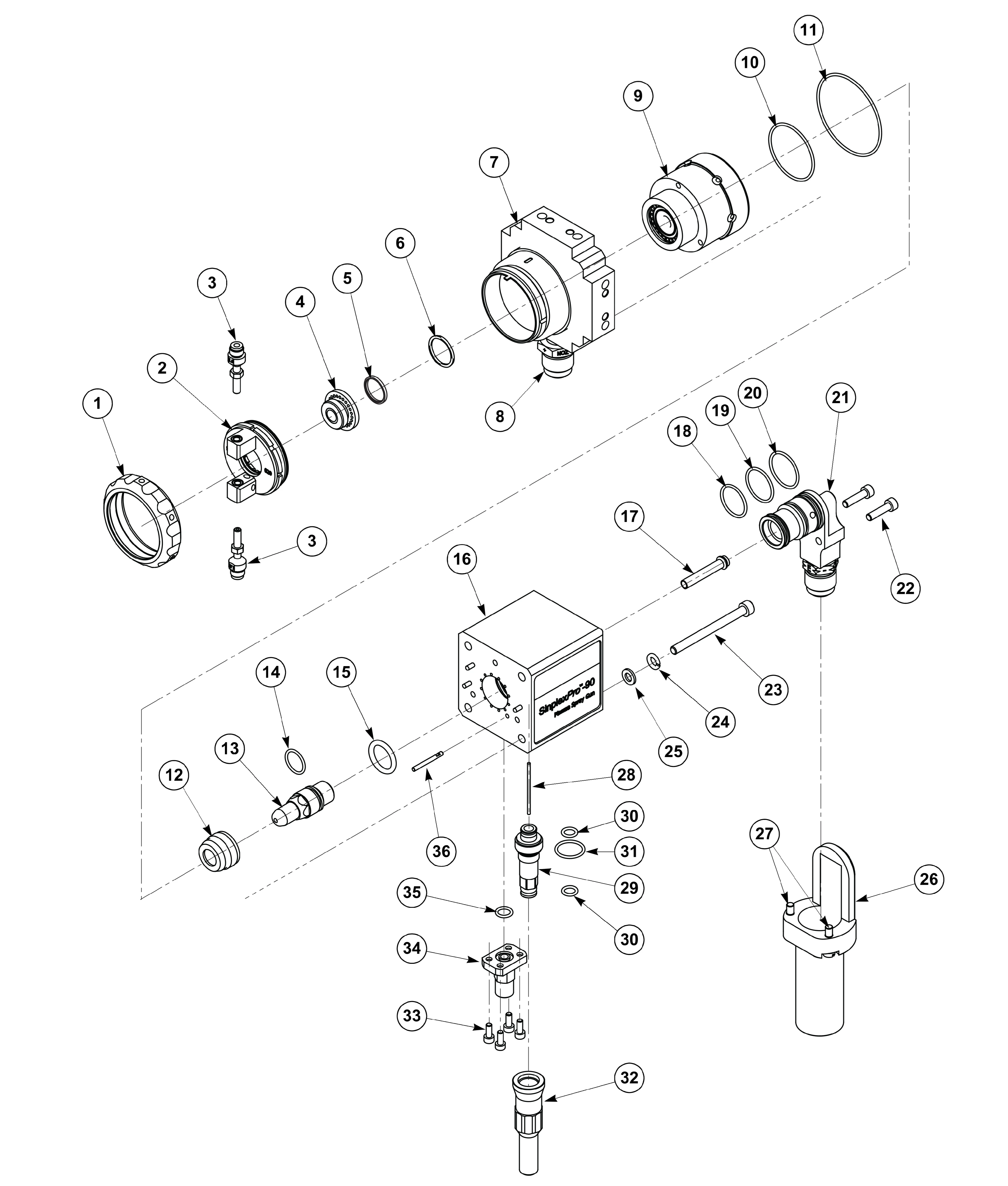
Взрыв-схема плазматрона SinplexPro-90
| Номер на схеме | Артикул | Наименование | Артикул по METCO | |
|---|---|---|---|---|
| 1 | IRS-303001 | Гайка сопла | Nozzle Nut | 1060231 |
| 2 | IRS-303002 | Держатель инжектора двухместный короткий | Short Injector Ring | 1080091 |
| 2 | IRS-303003 | Держатель инжектора двухместный длинный | Long Injector Ring | 1079906 |
| 3 | IRS-303004 | Инжектор порошка 1,8 мм | Powder Injector 1.8 | 1003436 |
| 3 | IRS-303005 | Инжектор порошка 2,0 мм | Powder Injector 2.0 | 1003439 |
| 3 | IRS-303006 | Инжектор порошка 1,5 мм | Powder Injector 1.5 | 103434 |
| 4 | IRS-303007 | Сопло Sinplex, 9 мм | Nozzle Assembly, 9 mm (includes items 5 & 6) | 1082606 |
| 4 | IRS-303008 | Сопло Sinplex, 6,5 мм | Nozzle Assembly, 6.5 mm (includes items 5 & 6) | 1082605 |
| 4 | IRS-303009 | Сопло Sinplex, 8 мм | Nozzle Assembly, 8 mm (includes items 5 & 6) | 1302081 |
| 5 | IRS-303010 | Кольцо изолирующее | Insulator Ring | 1081770 |
| 6 | IRS-303011 | Кольцо уплотнительное | O-ring, (Quad Ring) 0.801 X 0.070 | 1061036 |
| 7 | IRS-303012 | Корпус пистолета передний | Front Gun Body Assembly (includes item 8) | 1079905 |
| 8 | IRS-303013 | Порт (NOZ+) водоохлаждаемого кабеля | Water (NOZ +) Hose Fitting | 1000103 |
| 9 | IRS-303014 | Нейтрод в сборе | Neutrode Stack Assembly | 1079904 |
| 10 | IRS-303015 | Кольцо уплотнительное | O-ring, 1.614 x 0.070 Black Viton | 1059685 |
| 11 | IRS-303016 | Кольцо уплотнительное | O-ring, 2.364 x 0.070 Viton | 1000366 |
| 12 | IRS-303017 | Изолятор электрода | Electrode Insulator | 1079909 |
| 13 | IRS-303018 | Электрод | Electrode | 1079897 |
| 14 | IRS-303019 | Кольцо уплотнительное | O-Ring, Black Viton 0.614 x 0.07 in. (pkg. of 6) | 1001462 |
| 15 | IRS-303020 | Кольцо уплотнительное | O-Ring, Buna 0.734 x 0.139 in. | 1017527 |
| 16 | IRS-303021 | Корпус пистолета задний | Rear Gun Body | 1079907 |
| 17 | IRS-303022 | Трубка охлаждения водяная | Cooling Water Tube | 1003423 |
| 18 | IRS-303023 | Кольцо уплотнительное | O-Ring, Black Viton 0.864 x 0.07 in. | 1015536 |
| 19 | IRS-303024 | Кольцо уплотнительное | O-Ring, Buna 0.926 x 0.07 in. (pkg. of 3) | 1001624 |
| 20 | IRS-303025 | Кольцо уплотнительное | O-Ring, Black Viton 0.989 x 0.07 in. (pkg. of 2) | 1000225 |
| 21 | IRS-303026 | Держатель электрода | Electrode Holder | 1079908 |
| 22 | IRS-303027 | Винт (2 шт.) | Screw, M5 x 20 mm (2 pcs.) | 1089684 |
| 23 | IRS-303028 | Винт (4 шт.) | Screw, M6 x 70mm (4 pcs.) | 1059687 |
| 24 | IRS-303029 | Шайба (4 шт.) | Lock Washer, M6 (4 pcs.) | 1089683 |
| 25 | IRS-303030 | Шайба (4 шт.) | Flat Washer, M6 (4 pcs.) | 1089682 |
| 26 | IRS-303031 | Изолятор кабеля | Hose Cover (includes item 27) | 1081771 |
| 27 | IRS-303032 | Винт (2 шт.) | Captive Screw (2 pcs.) | 1081772 |
| 28 | IRS-303033 | Пружина зажигания | Ignition Spring | 1079913 |
| 29 | IRS-303034 | Порт системы поджига | Ignition Fitting (includes items 30 & 31) | 1079911 |
| 30 | IRS-303035 | Кольцо уплотнительное | O-Ring, Black Viton 0.301 x 0.07 in. (2 pcs.) | 1015535 |
| 31 | IRS-303036 | Кольцо уплотнительное | O-Ring, Black Viton 0.676 x 0.07 in. (pkg. of 4) | 1000143 |
| 32 | IRS-303037 | Изолятор системы поджига | Ignition Insulator | 1081773 |
| 33 | IRS-303038 | Винт (4 шт.) | Screw, M4 x 10 (4 pcs.) | 1003513 |
| 34 | IRS-303039 | Порт плазмообразующего газа | Plasma Gas Fitting | 1079910 |
| 35 | IRS-303040 | Кольцо уплотнительное | O-Ring, Black Viton, 0.344 x 0.07 in. (pkg. of 4) | 1002073 |
| 36 | IRS-303041 | Штифт зажигания | Ignition Pin | 1079912 |
Условия и способы оплаты
Мы предоставляем гибкие условия расчетов, учитывающие специфику каждой сделки, чтобы обеспечить удобство и надежность сотрудничества.
Оплата осуществляется безналичным банковским переводом на основании выставленного счета.
При наличии оборудования на складе
Если требуется монтаж оборудования
90% — предоплата при заключении договора.
10% — по факту готовности оборудования к отгрузке со склада в Москве.
Если монтаж оборудования не требуется
100% — предоплата при заключении договора.
Примечание: Возможны индивидуальные условия оплаты. Мы всегда открыты для обсуждения!
При поставке оборудования под заказ
Если требуется монтаж оборудования
50% — предоплата при заключении договора, что гарантирует бронирование производства под ваш заказ.
40% — по факту готовности оборудования к отгрузке со склада в Москве.
10% — после успешного ввода оборудования в эксплуатацию на вашем производстве.
Если монтаж оборудования не требуется
50% — предоплата при заключении договора, что гарантирует бронирование производства под ваш заказ.
50% — по факту готовности оборудования к отгрузке со склада в Москве.
Примечание: Возможны индивидуальные условия оплаты в зависимости от типа оборудования и сроков поставки. Мы всегда открыты для обсуждения!
Помощь в получении субсидии
Детали по телефону.
Почему выбирают нас?
- Индивидуальный подход. Мы разрабатываем уникальные условия для каждого клиента, учитывая специфику бизнеса.
- Прозрачность. Вы всегда будете знать, на каком этапе находятся изготовление и поставка оборудования.
- Экспертная поддержка. Наши специалисты готовы ответить на любые вопросы, связанные с условиями оплаты, лизинга или субсидии, а также подсказать, как получить максимальную выгоду от сделки.
- Комплексное сопровождение. Мы берем на себя все задачи по оформлению и согласованию документации, чтобы вы могли сосредоточиться на развитии вашего бизнеса.
Готовы сделать первый шаг?
Мы стремимся сделать процесс получения оборудования максимально удобным и доступным для вас. Вы можете выбрать наиболее подходящий способ доставки из предложенных вариантов.
1. Самовывоз с нашего склада
Самовывоз — это быстрый и экономичный способ для тех, кто предпочитает самостоятельно организовывать доставку.
Вы можете самостоятельно забрать оборудование с нашего склада по адресу: г. Москва, ул. Южнопортовая, д. 21, стр. 8.
Наш склад удобно расположен, что облегчает планирование логистики.
2. Доставка нашим автотранспортом
Этот вариант удобен для клиентов, которым важно минимизировать затраты времени и получить оборудование «до дверей».
Мы предлагаем доставку до вашего адреса собственным автотранспортом.
Преимущества:
- Полный контроль за сохранностью груза и точные сроки доставки.
- Подходит для любых категорий оборудования, включая крупногабаритные и тяжелые станки.
- Наши специалисты обеспечат аккуратную погрузку и доставку.
3. Доставка через транспортные компании
Доставка через транспортные компании — это надежный и экономичный способ получения оборудования для клиентов из других регионов.
Мы сотрудничаем с надежными транспортными компаниями, чтобы доставить ваше оборудование в любой регион.
Особенные условия:
Бесплатная доставка до терминала ТК «Деловые Линии» в Москве.
Вы оплачиваете только межтерминальную доставку до вашего города, что позволяет сократить расходы.
Преимущества:
Возможность выбора любой удобной транспортной компании.
Мы подготовим груз к транспортировке, включая упаковку и оформление всех сопроводительных документов.
Почему выбирают нас?
- Гибкость. Несколько вариантов доставки позволяют выбрать удобный способ в зависимости от ваших потребностей.
- Прозрачность. Мы заранее обсуждаем все условия по доставке и фиксируем их в договоре.
- Надежность. Весь процесс отгрузки и доставки организован профессионально, с заботой о сохранности вашего оборудования.
