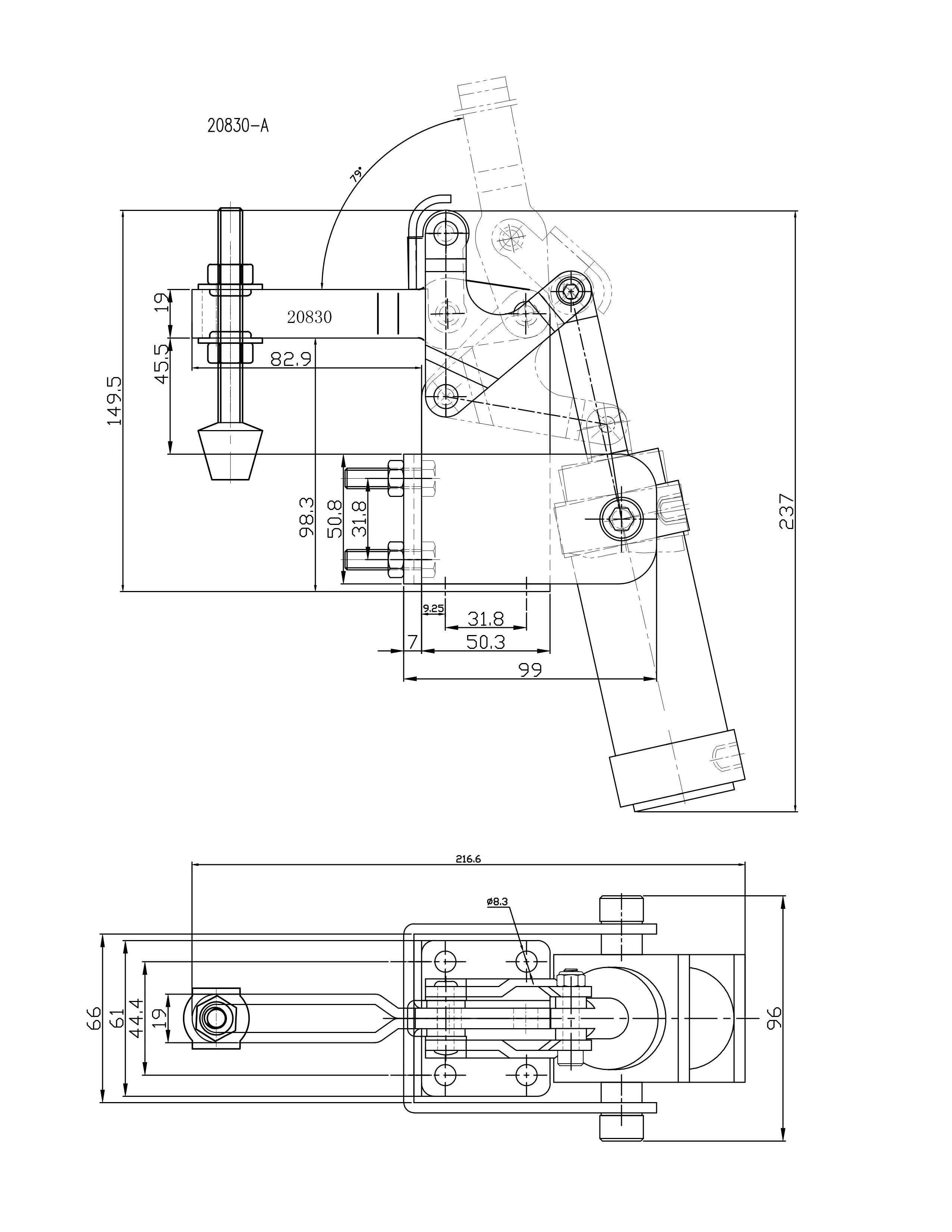
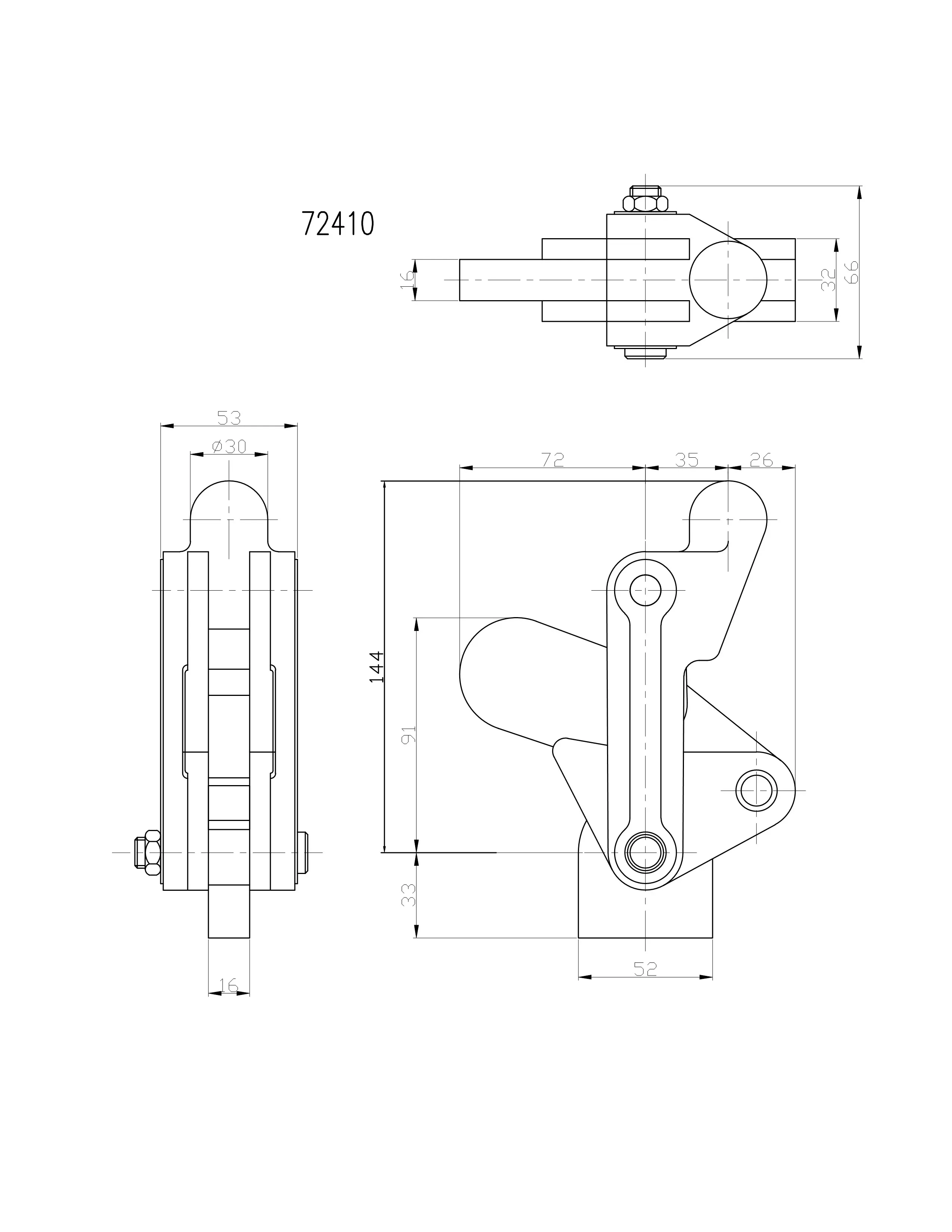
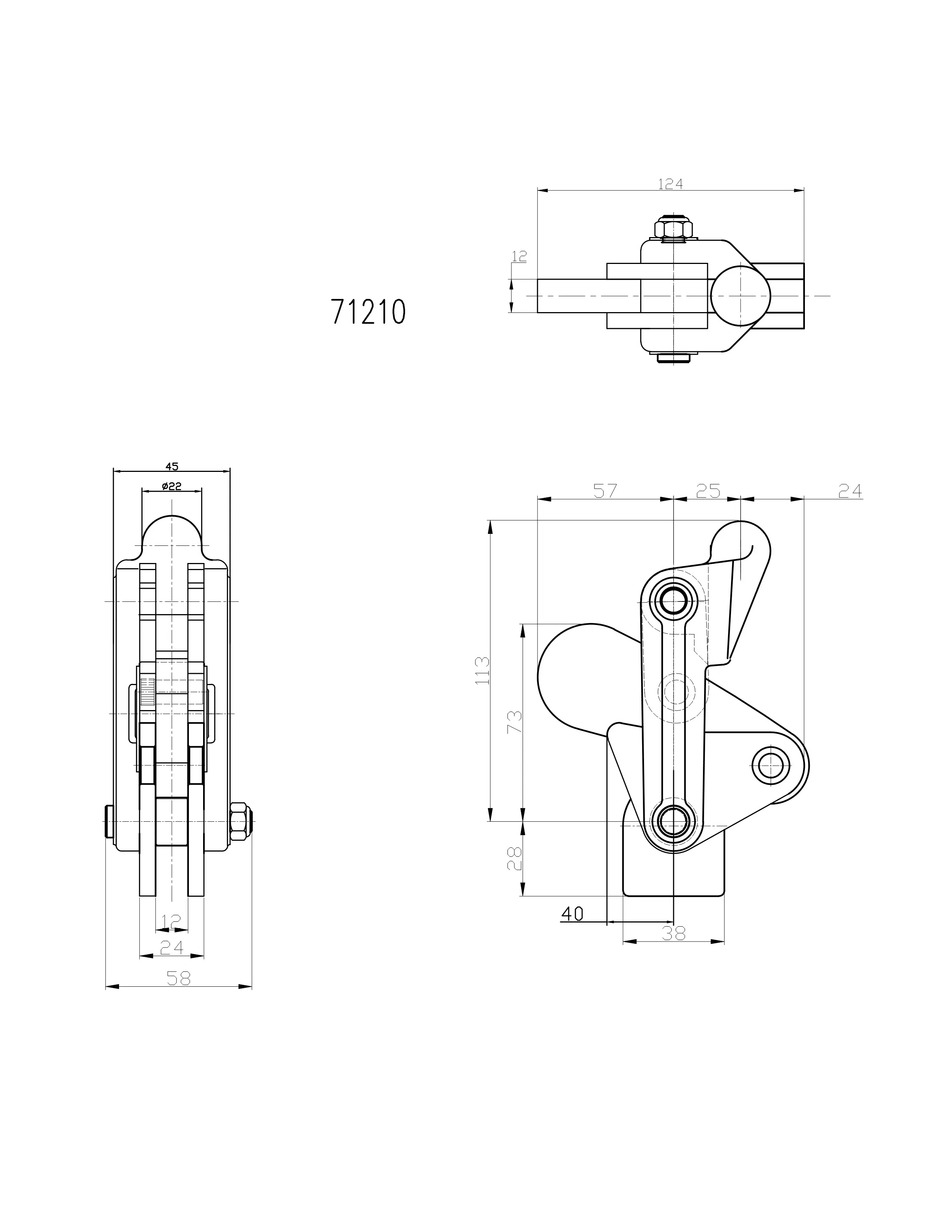
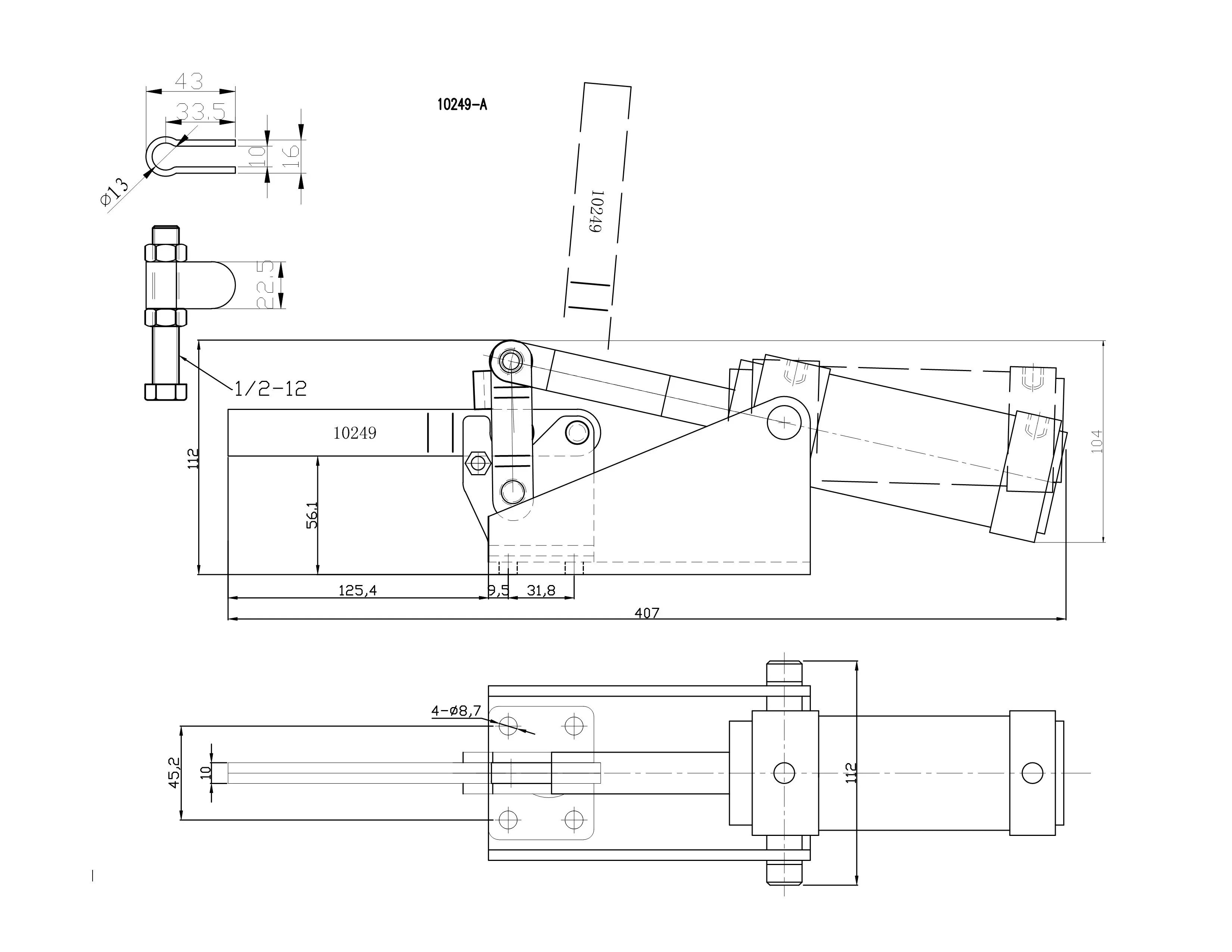
Прижимы, зажимные устройства

Зажимные устройства или как их еще называют «быстрые прижимы» – это механические устройства, предназначенные для надежной фиксации заготовок между собой. Зажим состоит из основания, за счет которого происходит его закрепление на плоскости, прижимной штанги с болтом (либо штока) и рукояти. Принцип действия здесь основан на системе рычагов, и фиксация заготовки происходит за счет механической силы рабочего. Для того чтобы прижать детали друг к другу, достаточно отклонить рукоятку и все готово! Отсюда и такое говорящее название.
Струбцины ToggleClamp включают несколько сотен моделей различных типов, видов и конструкций: вертикальные, горизонтальны, линейные и стягивающие прижимы. Это делает их универсальным вспомогательным инструментом как на малом (кустарном), так и на крупно серийном производстве.
При грамотном подборе моделей обеспечивается надежное прижатие деталей и сохранение точности позиционирования. Кроме того, конечное изделие не имеет вмятин, покосов и царапин.
- Механические зажимы – самая простая и бюджетная версия зажимных устройств. Несмотря на простоту конструкции, эти шарнирные зажимы обеспечивают высокие показатели производительности и повторяемости сборки.
- Модульные зажимы – имеют усиленную конструкцию и рассчитаны на большие нагрузки. Такие усиленные зажимы обычно привариваются к оснастке и комплектуются приварными ручками и прижимными штангами.
- Пневматические зажимы – имеют более сложное строение, так как оснащены пневматическим цилиндром с поршнем и штоком. Пневмоприжим можно задействовать на автоматических линиях.
- Гидравлические зажимы – обеспечивают наибольшее прижимное усилие под действием давления жидкости в цилиндре. Несмотря на высокую стоимость, гидравлические прижимы получили широкое распространение на предприятиях, где требуется точное позиционирование и надежная фиксация очень тяжелых деталей.
На нашем сайте мы предлагаем наиболее популярные модели на белорусском рынке, однако здесь могут быть представлены не все прижимы. Для того, чтобы ознакомиться с полным номенклатурным рядом, Вы можете скачать наш каталог:
Складские остатки регулярно обновляются.
Качество наших механических зажимов соответствует уровню аналогов таких мировых брендов, как KIPP, Piher, ELESA GANTER и другие.
Элементы конструкции выполняются из закалённой стали и шлифуются, а болты покрываются долговременной смазкой. Рукоятка изготавливается из прочной маслостойкой пластмассы.
Ресурс работы одного зажима может достигать до 300 000 циклов.

.gif)




