Фильтр
Мощность фильтрации, м³/ч
—
630
Max. отрицательное давление воздуха, Па
—
1600
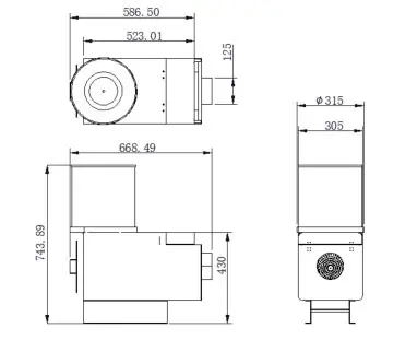
Диаметр воздухозаборника, мм
—
150
Цена по запросу
Мощность фильтрации, м³/ч
—
350
Max. отрицательное давление воздуха, Па
—
500
Диаметр воздухозаборника, мм
—
100
3 214 BYN
/шт Мощность фильтрации, м³/ч
—
390
Max. отрицательное давление воздуха, Па
—
870
Диаметр воздухозаборника, мм
—
100
3 749 BYN
/шт Мощность фильтрации, м³/ч
—
630
Max. отрицательное давление воздуха, Па
—
1600
Диаметр воздухозаборника, мм
—
150
5 356 BYN
/шт Сепараторы масляного тумана серии TOMC используются для сбора и очистки масляного тумана из смазочно-охлаждающих жидкостей для станков с ЧПУ. Они имеют встроенный корпус, низкий уровень шума и низкую вибрацию.
Они подходят для переработки масляных паров и тумана, образующихся при работе токарных, шлифовальных, фрезерных, электроэрозионных станков, обрабатывающих центров с ЧПУ, высокоскоростных гравировальных станков, а также машин ультразвуковой очистки, распыления антикоррозионных жидкостей и термообработке.
Они подходят для переработки масляных паров и тумана, образующихся при работе токарных, шлифовальных, фрезерных, электроэрозионных станков, обрабатывающих центров с ЧПУ, высокоскоростных гравировальных станков, а также машин ультразвуковой очистки, распыления антикоррозионных жидкостей и термообработке.
