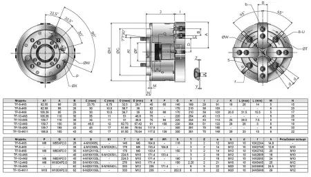
Гидравлические токарный патроны серии TF-15-4K11 предназначены для высокоточной и надежной фиксации цилиндрических заготовок в процессе обработки. Изготовленные из высокопрочной легированной стали с закаленными компонентами, они обладают повышенной жесткостью, долговечностью и точностью, гарантируя качественную и точную обработку даже в самых требовательных условиях.
Особенности:
- Подходит для зажима цилиндрических заготовок в процессе токарной обработки;
- Конструкция с увеличенным сквозным отверстием позволяет эффективно использовать патроны в автоматизированных системах, что повышает производительность и сокращает время обработки;
- Корпус из нержавеющей стали обеспечивает долговечность и устойчивость к коррозии;
- Работая в паре с гидравлическим цилиндром, патроны обеспечивают стабильное и равномерное давление для надежного зажима заготовок;
Условия и способы оплаты
Мы предоставляем гибкие условия расчетов, учитывающие специфику каждой сделки, чтобы обеспечить удобство и надежность сотрудничества.
Оплата осуществляется безналичным банковским переводом на основании выставленного счета.
При наличии оборудования на складе
Если требуется монтаж оборудования
90% — предоплата при заключении договора.
10% — по факту готовности оборудования к отгрузке со склада в Москве.
Если монтаж оборудования не требуется
100% — предоплата при заключении договора.
Примечание: Возможны индивидуальные условия оплаты. Мы всегда открыты для обсуждения!
При поставке оборудования под заказ
Если требуется монтаж оборудования
50% — предоплата при заключении договора, что гарантирует бронирование производства под ваш заказ.
40% — по факту готовности оборудования к отгрузке со склада в Москве.
10% — после успешного ввода оборудования в эксплуатацию на вашем производстве.
Если монтаж оборудования не требуется
50% — предоплата при заключении договора, что гарантирует бронирование производства под ваш заказ.
50% — по факту готовности оборудования к отгрузке со склада в Москве.
Примечание: Возможны индивидуальные условия оплаты в зависимости от типа оборудования и сроков поставки. Мы всегда открыты для обсуждения!
Помощь в получении субсидии
Детали по телефону.
Почему выбирают нас?
- Индивидуальный подход. Мы разрабатываем уникальные условия для каждого клиента, учитывая специфику бизнеса.
- Прозрачность. Вы всегда будете знать, на каком этапе находятся изготовление и поставка оборудования.
- Экспертная поддержка. Наши специалисты готовы ответить на любые вопросы, связанные с условиями оплаты, лизинга или субсидии, а также подсказать, как получить максимальную выгоду от сделки.
- Комплексное сопровождение. Мы берем на себя все задачи по оформлению и согласованию документации, чтобы вы могли сосредоточиться на развитии вашего бизнеса.
Готовы сделать первый шаг?
Мы стремимся сделать процесс получения оборудования максимально удобным и доступным для вас. Вы можете выбрать наиболее подходящий способ доставки из предложенных вариантов.
1. Самовывоз с нашего склада
Самовывоз — это быстрый и экономичный способ для тех, кто предпочитает самостоятельно организовывать доставку.
Вы можете самостоятельно забрать оборудование с нашего склада по адресу: г. Москва, ул. Южнопортовая, д. 21, стр. 8.
Наш склад удобно расположен, что облегчает планирование логистики.
2. Доставка нашим автотранспортом
Этот вариант удобен для клиентов, которым важно минимизировать затраты времени и получить оборудование «до дверей».
Мы предлагаем доставку до вашего адреса собственным автотранспортом.
Преимущества:
- Полный контроль за сохранностью груза и точные сроки доставки.
- Подходит для любых категорий оборудования, включая крупногабаритные и тяжелые станки.
- Наши специалисты обеспечат аккуратную погрузку и доставку.
3. Доставка через транспортные компании
Доставка через транспортные компании — это надежный и экономичный способ получения оборудования для клиентов из других регионов.
Мы сотрудничаем с надежными транспортными компаниями, чтобы доставить ваше оборудование в любой регион.
Особенные условия:
Бесплатная доставка до терминала ТК «Деловые Линии» в Москве.
Вы оплачиваете только межтерминальную доставку до вашего города, что позволяет сократить расходы.
Преимущества:
Возможность выбора любой удобной транспортной компании.
Мы подготовим груз к транспортировке, включая упаковку и оформление всех сопроводительных документов.
Почему выбирают нас?
- Гибкость. Несколько вариантов доставки позволяют выбрать удобный способ в зависимости от ваших потребностей.
- Прозрачность. Мы заранее обсуждаем все условия по доставке и фиксируем их в договоре.
- Надежность. Весь процесс отгрузки и доставки организован профессионально, с заботой о сохранности вашего оборудования.
