Втулки под развальцовку с насечкой (Rivet Bush Standoff Serrated Face)
Описание
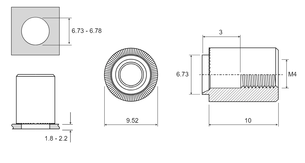
Втулки под развальцовку с насечкой – это крепёжные элементы, предназначенные для создания надёжных резьбовых соединений в тонколистовых материалах. Они обеспечивают прочную фиксацию за счёт развальцовки (расклёпки) и насечки на поверхности, предотвращающей проворачивание.
Идеально подходят для сборки электронных устройств, авиакосмической техники, медицинского оборудования и других применений, где требуется жёсткое резьбовое крепление без сварки или пайки.
Технические характеристики
✅ Тип крепления: развальцовка (расклёпка)
✅ Материал:
• Сталь оцинкованная
• Сталь нержавеющая
✅ Резьба: метрическая (M2–M12) или дюймовая (UNF, UNC)
✅ Насечка (serrated face): предотвращает проворачивание после установки
✅ Толщина листа: от 0,8 до 3,0 мм (зависит от модели)
________________________________________
Преимущества
Надёжная фиксация – насечка исключает проворачивание втулки после монтажа.
Прочность – выдерживает вибрации и механические нагрузки.
Быстрый монтаж – установка за счёт развальцовки (не требует сварки или пайки).
Универсальность – подходит для электроники, авиации, автомобилестроения.
________________________________________
Области применения
• Электроника и печатные платы – крепление компонентов в металлических корпусах.
• Авиакосмическая промышленность – лёгкие и прочные соединения.
• Автомобильная техника – монтаж датчиков, панелей, кожухов.
• Медицинское оборудование – стерильные и коррозионностойкие крепления.
• Промышленные шкафы и приборы – сборка корпусов и стоек.
Метод установки
1. Подготовка отверстия – диаметр должен соответствовать спецификации.
2. Установка втулки – вставляется в отверстие до упора.
3. Развальцовка (расклёпка) – выполняется специальным инструментом.
4. Проверка посадки – втулка должна быть зафиксирована без люфта.
Условия и способы оплаты
Мы предоставляем гибкие условия расчетов, учитывающие специфику каждой сделки, чтобы обеспечить удобство и надежность сотрудничества.
Оплата осуществляется безналичным банковским переводом на основании выставленного счета.
При наличии оборудования на складе
Если требуется монтаж оборудования
90% — предоплата при заключении договора.
10% — по факту готовности оборудования к отгрузке со склада в Москве.
Если монтаж оборудования не требуется
100% — предоплата при заключении договора.
Примечание: Возможны индивидуальные условия оплаты. Мы всегда открыты для обсуждения!
При поставке оборудования под заказ
Если требуется монтаж оборудования
50% — предоплата при заключении договора, что гарантирует бронирование производства под ваш заказ.
40% — по факту готовности оборудования к отгрузке со склада в Москве.
10% — после успешного ввода оборудования в эксплуатацию на вашем производстве.
Если монтаж оборудования не требуется
50% — предоплата при заключении договора, что гарантирует бронирование производства под ваш заказ.
50% — по факту готовности оборудования к отгрузке со склада в Москве.
Примечание: Возможны индивидуальные условия оплаты в зависимости от типа оборудования и сроков поставки. Мы всегда открыты для обсуждения!
Помощь в получении субсидии
Детали по телефону.
Почему выбирают нас?
- Индивидуальный подход. Мы разрабатываем уникальные условия для каждого клиента, учитывая специфику бизнеса.
- Прозрачность. Вы всегда будете знать, на каком этапе находятся изготовление и поставка оборудования.
- Экспертная поддержка. Наши специалисты готовы ответить на любые вопросы, связанные с условиями оплаты, лизинга или субсидии, а также подсказать, как получить максимальную выгоду от сделки.
- Комплексное сопровождение. Мы берем на себя все задачи по оформлению и согласованию документации, чтобы вы могли сосредоточиться на развитии вашего бизнеса.
Готовы сделать первый шаг?
Мы стремимся сделать процесс получения оборудования максимально удобным и доступным для вас. Вы можете выбрать наиболее подходящий способ доставки из предложенных вариантов.
1. Самовывоз с нашего склада
Самовывоз — это быстрый и экономичный способ для тех, кто предпочитает самостоятельно организовывать доставку.
Вы можете самостоятельно забрать оборудование с нашего склада по адресу: г. Москва, ул. Южнопортовая, д. 21, стр. 8.
Наш склад удобно расположен, что облегчает планирование логистики.
2. Доставка нашим автотранспортом
Этот вариант удобен для клиентов, которым важно минимизировать затраты времени и получить оборудование «до дверей».
Мы предлагаем доставку до вашего адреса собственным автотранспортом.
Преимущества:
- Полный контроль за сохранностью груза и точные сроки доставки.
- Подходит для любых категорий оборудования, включая крупногабаритные и тяжелые станки.
- Наши специалисты обеспечат аккуратную погрузку и доставку.
3. Доставка через транспортные компании
Доставка через транспортные компании — это надежный и экономичный способ получения оборудования для клиентов из других регионов.
Мы сотрудничаем с надежными транспортными компаниями, чтобы доставить ваше оборудование в любой регион.
Особенные условия:
Бесплатная доставка до терминала ТК «Деловые Линии» в Москве.
Вы оплачиваете только межтерминальную доставку до вашего города, что позволяет сократить расходы.
Преимущества:
Возможность выбора любой удобной транспортной компании.
Мы подготовим груз к транспортировке, включая упаковку и оформление всех сопроводительных документов.
Почему выбирают нас?
- Гибкость. Несколько вариантов доставки позволяют выбрать удобный способ в зависимости от ваших потребностей.
- Прозрачность. Мы заранее обсуждаем все условия по доставке и фиксируем их в договоре.
- Надежность. Весь процесс отгрузки и доставки организован профессионально, с заботой о сохранности вашего оборудования.
