Фильтр
Размер плиты, мм
—
630x630
119 624 BYN
/шт Размер плиты, мм
—
630x800
165 730 BYN
/шт Зажимы с нулевой точкой
Для подтягивания крепежа, паллета или другого устройства для заготовки относительно отшлифованной поверхности патрона зажимы с нулевой точкой используют клиновидный фиксатор и монтажную ручку.Гидравлическое или пневматическое давление достигается с позиционной точностью до нескольких десятых сантиметров, благодаря тому что захват находится внутри отверстия патрона.
Монтаж закотовки с пятисторонним доступом происходит с использованием ниппеля нулевой точки и установочного штифта.
Основное преимущество использования зажимов с нулевой точкой - сокращение времени наладки. Использование зажимов с нулевой точкой способствует сокращению времени простоя, путем использования последовательного зажима заготовок.
Данный вид зажима позволяет пользователю использовать его как единый прибор для 5-ти координатной обработки, таким образом его можно переносить с токарного станка на шлифовальный без потери точности.
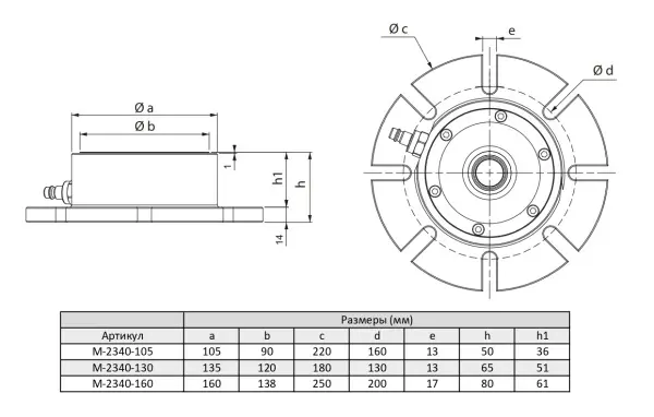
Корпус нулевого зажима
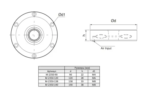
Модульный нулевой зажим
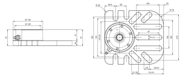
5-осевая нулевая зажимная пластина
